Model 8324RS-232 to RS-485 Interface Converter
|
|
|
|
|
Note: The two-wire RS-485 link connecting the various equipment requires a cable with at least one twisted pair, nominal impedance of 120 W and general shielding. The use of a cable with different characteristics can lead to unreliable operation, especially in cases of high data rates and long distance.
|
2.0 Operating Mode
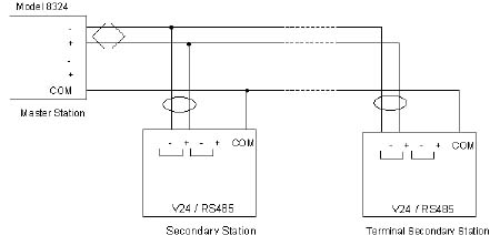
2.1 Block Diagram
|
|
|
|
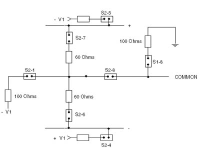
2.2 RS-485 Two-Wire ConnectionTerminating impedance |
|
|
|
The intermediate secondary stations can use a balancing termination by connecting a "pull-up" resistor to the negative line side of the bus and a "pull-down" resistor to the positive side of the bus, thereby forcing a zero condition on the line. The secondary station transmission circuits present the characteristic of operating in three-state mode, a high impedance state during the idle period (i.e., period of non data transfer). The sending of data from one station can be initiated by the incoming RTS signal (Pin 4) on the RS-232 side going active, or by internal generation of a data-received signal on the RS-232 side. This second method, controlled by a microprocessor, enables the use of the Model 8324 with a simple three-wire (TD, RD and GND) RS-232 connection and XON/XOFF flow control. 2.3 RS-485 HDX operation modeThe lack of a control circuit on the RS-232 side requires that the Model 8324 take control
of managing the driver for transmission of data towards the RS-485 line. Detecting a start bit
sets off the driver immediately ("t0"), remaining active until a half-bit following the last stop bit. If a
new start bit is detected during "t2" time, the driver is kept active until the next character and so
on. The internal microprocessor controls the "t0" and "t2" times in accordance with the
transmission parameters indicated by the user via the S1 DIP-switch (refer to section 4.3,
"DIP-switch S3"). |
|
|
3.0 Connection/Cabling
3.1 RS-232 I/O (DCE mode)
|
|
|
3.2 RS-485 I/O
|
|
|
|
|
|
|
|
|
|
|
|
4.0 DIP SwitchesThe Model 8324 incorporates a micro-controller to manage the host protocols of the interface. Many of the parameters controlling the micro are established via dip switches. Some of these settings are marked "Mandatory" and should not be changed. Other user-selectable switches are appropriately marked "X."
|
|
|
|
|
|
|
4.3 DIP-Switch S3Generally the use of an RS-485 interface implies controlling the half-duplex operation mode. The DIP-switch block S1 enables the selection of the operating mode and data transmission characteristics needed by the microprocessor when detecting and managing the active phases of the RS-485 transceiver (refer to section 2.3, "RS-485 HDX Operation Mode"). Transmitter Configuration S3-1 to S3-3 Baud Rate, S3-4 to S3-5 Byte Format | ||||||||||||||||||||||||||||||||||||
|
| ||||||||||||||||||||||||||||||||||||
| ||||||||||||||||||||||||||||||||||||
| ||||||||||||||||||||||||||||||||||||
|
|
4.4 Switch Functions
|
|
|
|
|
|
|
Dark areas show switch position |
5.0 SpecificationsInterfaces RS-232 (V.24) and two-wire RS-485 (EIA)/V28 (CCITT) Transmission mode Serial Asynchronous, HDX mode (with/without RTS signal) Transmission speed Transparent to 38,400 Bps Transmission Code Transparent Isolation Via opto-couplers Power 115 VAC, 60 Hz standard, 230 VAC, 50 Hz optional Consumption 2.5 W Maximum Dimensions 3.1 in x 1.57 in x 3.35 in (79 mm x 40 mm x 85 mm) Environment Operating Temperature: 0° to 50° C Storage Temperature: -20° to 70° C Humidity: 10% to 90%. No condensation. Approvals CE marked 6.0 HelpIf you require assistance, please visit our
Technical Support
Center. WarrantyTELEBYTE warrants the equipment to be free from defects in material and workmanship, under normal and proper use and in its unmodified condition, for 12 months, starting on the date it is delivered for use. TELEBYTE's sole obligation under this warranty shall be to furnish parts and labor for the repair or replacement of products found by TELEBYTE to be defective in material or workmanship during the warranty period. Warranty repairs will be performed at the point of manufacture. Equipment approved for return for warranty service shall be returned F.O.B. TELEBYTE factory and will be redelivered by TELEBYTE freight prepaid, except for non-continental U.S.A. locations. Non-continental deliveries will be sent COD freight plus import/export charges. The above warranty is in lieu of all other warranties, expressed or implied, statutory or otherwise, including any implied warranty of merchantability or fitness for a particular purpose. TELEBYTE shall not be liable for any damages sustained by reseller or any other party arising from or relating to any equipment failure, including, but not limited to consequential damages nor shall TELEBYTE have any liability for delays in replacement or repair of equipment. Out of warranty equipment may be returned to the Greenlawn, NY customer service facility prepaid as described above. Return shipping charges will be billed to the customer. The repaired unit will have a 90-day warranty. In those cases where "NO TROUBLE" is found, a reduced charge will be billed to cover handling, testing and packaging. Whether in or out of warranty, a Return Material Authorization (RMA) number is necessary and can be obtained by visiting our Technical Support Center. Reference the RMA number on the outside container.
|
